آموزشی

راهنمای جامع، تخصصی و به‌روز راه‌اندازی موتور سه فاز ستاره مثلث

راهنمای جامع، تخصصی و به‌روز راه‌اندازی موتور سه فاز ستاره مثلث

چرا هنوز روش ستاره مثلث یک استاندارد صنعتی است؟

در دهه اخیر با ورود تجهیزات پیشرفته مثل سافت‌استارتر و اینورتر، بسیاری فکر کردند روش‌های سنتی راه‌اندازی موتورهای سه‌فاز کنار گذاشته می‌شوند. اما واقعیت این است که روش ستاره مثلث (Star–Delta) هنوز یکی از استانداردترین، اقتصادی‌ترین و قابل‌اعتمادترین روش‌های راه‌اندازی برای صدها مدل الکتروموتور صنعتی به شمار می‌رود.

در پروژه‌های صنعتی، وقتی جریان راه‌اندازی بالا باشد، سیستم برق ممکن است دچار افت ولتاژ، سوختن کابل‌ها، تریپ کلیدها یا حتی خاموشی تجهیزات کنترل شود. برای همین روش ستاره مثلث در بسیاری از کارخانه‌ها، کارگاه‌ها، سیستم‌های تهویه، پمپ‌خانه‌ها و خطوط تولید به‌عنوان اولین انتخاب در نظر گرفته می‌شود.

این مقاله از آرتا صنعت به عنوان نمایندگی اشنایدر در لاله زار تهران تمام مفاهیم را مطابق با آخرین اطلاعات فنی موجود بررسی می‌کنیم.

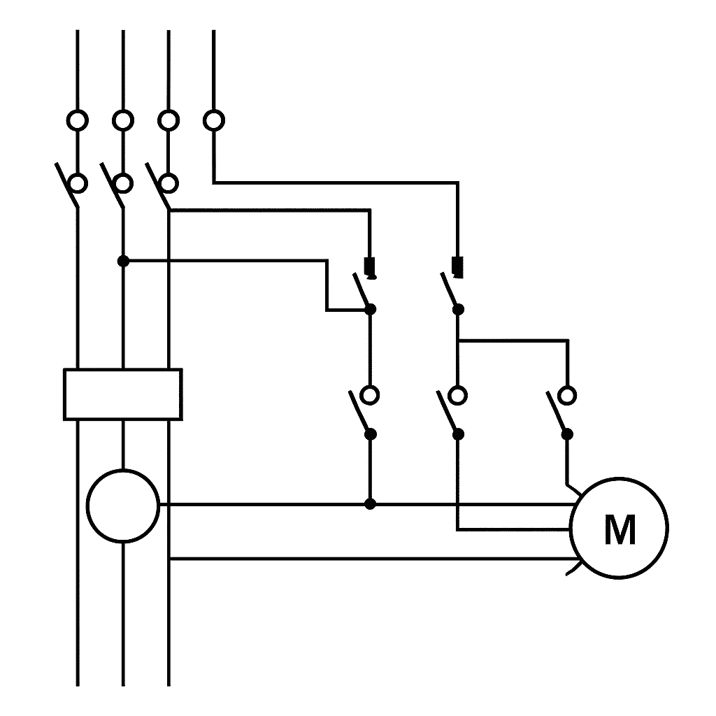
مدار ستاره مثلث

راه‌اندازی موتور سه فاز ستاره مثلث چیست؟

وقتی یک موتور سه‌فاز به‌طور مستقیم روشن می‌شود (DOL)، 6 تا 7 برابر جریان نامی را در لحظه اول می‌کشد. این مقدار جریان برای کابل‌ها، کلیدهای حفاظتی و حتی شبکه برق خطرناک است.

برای جلوگیری از این شرایط، از روش ستاره مثلث استفاده می‌شود.

فاز اول — اتصال ستاره (Y)

در ابتدا، سیم‌پیچ‌های موتور در حالت ستاره قرار می‌گیرند.
نتیجه:

  • ولتاژ هر سیم‌پیچ کمتر می‌شود
  • جریان استارت بسیار کاهش می‌یابد
  • گشتاور راه‌اندازی کمتر است
مطالعه بیشتر  راهنمای نصب کنتاکتور تک فاز و سه فاز در مدار

فاز دوم — اتصال مثلث (Δ)

بعد از چند ثانیه، موتور از حالت ستاره جدا شده و وارد اتصال مثلث می‌شود.
در این حالت:

  • موتور با توان کامل کار می‌کند
  • گشتاور به مقدار نامی می‌رسد
  • سرعت و عملکرد پایدار می‌شود

به زبان ساده:

💡 ستاره برای شروع آرام
💡 مثلث برای کارکرد اصلی

نقشه ستاره مدار مثلث موتور

چرا از استارتر ستاره مثلث استفاده می‌شود؟

مزیت اصلی این روش، کاهش جریان راه‌اندازی بدون نیاز به تجهیزات اضافی مانند اتوترانس، سافت‌استارتر یا درایو است.

در این روش:

  • ابتدا سیم‌پیچ‌های موتور در حالت ستاره متصل می‌شوند
  • وقتی موتور به حدود ۸۰٪ سرعت نامی رسید
  • اتصال به حالت مثلث تغییر می‌کند
  • این فرآیند معمولاً توسط یک کلید TPDP (سه‌پل دوحالته) یا سه کنتاکتور + تایمر انجام می‌شود.

 

چرا جریان و گشتاور در مدار ستاره مثلث یک‌سوم می‌شود؟

طبق قوانین ولتاژ و جریان در سه‌فاز:

🔹 ولتاژ فاز در ستاره:

VL / √۳

🔹 گشتاور موتور:

T ∝ V²

پس:

( VL / √۳ )² = ۱/۳ V²

یعنی:

 گشتاور و جریان استارت در حالت ستاره تقریبا یک‌سوم حالت مثلث است.

چرا روش ستاره مثلث انتخاب مهندسان باتجربه است؟ (تحلیل فنی + تجربه میدانی)

۱. کاهش جریان راه‌اندازی تا 60٪

این کاهش جریان باعث می‌شود:

  • کابل‌ها داغ نشوند
  • فیوزها تریپ نکنند
  • شبکه دچار افت ولتاژ نشود
  • تجهیزات تابلو برق آسیب نبینند

۲. جلوگیری از تنش مکانیکی روی موتور

در بسیاری از پروژه‌ها مشاهده شده استارت ناگهانی باعث:

  • لرزش شدید
  • ضربه به شافت
  • آسیب به یاتاقان
  • شکستگی کوپلینگ
    می‌شود.

اما در ستاره مثلث این تنش نزدیک به صفر است.

۳. افزایش عمر تجهیزات الکتریکی و مکانیکی

چون موتور در ابتدا نرم استارت می‌زند، کلیه اجزا مثل بلبرینگ، شافت، کوپلینگ، گیربکس و حتی بار متصل، عمر بیشتری خواهند داشت.

۴. هزینه کمتر نسبت به روش‌های مدرن

اگر نیازی به کنترل سرعت یا گشتاور نیست، چرا باید چندین برابر هزینه کرد؟ از نظر اقتصادی روش ستاره مثلث بهترین گزینه برای توان‌های متوسط است.

مطالعه بیشتر  مدار فرمان کنترل فاز چیست؟

مدار قدرت و فرمان ستاره مثلث

۱. اجزای مدار قدرت:

  • کنتاکتور اصلی
  • کنتاکتور ستاره
  • کنتاکتور مثلث
  • بی‌متال (رله اضافه‌بار): برای حفاظت موتور در برابر جریان اضافه، از بی‌متال استفاده می‌شود. مدل‌های متنوع بیمتال اشنایدر برای این کاربرد مناسب هستند.
  • فیوز یا MCCB
  • موتور سه‌فاز با ۶ ترمینال

در مدار قدرت، سه کنتاکتور (کنتاکتور اصلی، ستاره و مثلث) استفاده می‌شود. برای انتخاب کنتاکتور مناسب، می‌توانید از کنتاکتور اشنایدر استفاده کنید.

 

۲. اجزای مدار فرمان:

  • شستی استپ/استارت
  • تایمر تأخیر زمانی
  • کنتاکت کمکی کنتاکتورها
  • اینترلاک برقی یا مکانیکی

نحوه عملکرد مدار

  1. با زدن استارت → کنتاکتور اصلی + ستاره فعال می‌شوند.
  2. موتور با جریان کم روشن می‌شود.
  3. بعد از زمان تنظیم شده (۵ تا ۱۲ ثانیه) تایمر عمل می‌کند.
  4. کنتاکتور ستاره قطع می‌شود.
  5. کنتاکتور مثلث وصل می‌شود.
  6. موتور وارد فاز کاری با توان نامی می‌شود.

این فرآیند باید با اینترلاک صحیح انجام شود تا هیچ‌گاه ستاره و مثلث همزمان روشن نشوند.

شرایط ضروری برای استفاده از ستاره مثلث

✔ موتور باید دارای ولتاژ دوگانه باشد (Dual Voltage Motor)

مثال:

380/660 ولت
یا
400/690 ولت

این یعنی سیم‌پیچ‌ها قابلیت اتصال در دو حالت دارند.

✔ دسترسی به 6 ترمینال باید وجود داشته باشد

موتورهایی با 3 ترمینال داخلشان از قبل ستاره یا مثلث بسته شده و تغییر حالت ندارند.

✔ بار نباید گشتاور راه‌اندازی سنگینی داشته باشد

مثلا:

  • ❌ سنگ‌شکن‌ها
  • ❌ کمپرسورهای سنگین
  • ❌ نوارنقاله‌های باردار
  • ❌ اکسترودر

برای این بارها یا باید موتور بزرگ‌تر انتخاب شود یا از سافت‌استارتر / اینورتر استفاده شود.

✔ تایمر باید دقیق تنظیم شود

  • کمتر از زمان لازم → موتور به سرعت از ستاره به مثلث می‌رود و فشار زیاد وارد می‌شود.
  • بیشتر از زمان لازم → موتور خاموش می‌شود یا وارد پیک جریان می‌شود.
مطالعه بیشتر  آیا کلید محافظ جان بدون ارت عمل میکند | توضیحات کامل

برای همین در پروژه‌ها معمولا بین 5 تا 12 ثانیه تنظیم می‌شود.

مزایای راه‌اندازی ستاره مثلث

۱. کاهش جریان شروع (Inrush Current)

این مهم‌ترین مزیت است.

۲. مناسب برای شبکه‌های ضعیف و طول کابل زیاد

در شبکه‌هایی که افت ولتاژ مشکل‌ساز است، ستاره–مثلث بهترین انتخاب است.

۳. جلوگیری از گرم‌شدن سریع موتور

چون جریان کمتر است، سیم‌پیچ‌ها کمتر داغ می‌شوند.

۴. افزایش عمر برق‌گیرها، کابل‌ها، تابلو و کلیدها

برای جلوگیری از نشتی جریان و حفاظت بیشتر، استفاده از کلید محافظ جان اشنایدر در تابلوهای صنعتی توصیه می‌شود.

۵. هزینه پایین نسبت به سافت‌استارتر و VFD

معایب روش ستاره مثلث

  • ۱. گشتاور استارت پایین: اگر بار زیاد باشد، موتور راه نمی‌افتد.
  • ۲. پیک جریان هنگام سوئیچ: اگر تنظیم تایمر یا بار مناسب نباشد، پیکی بالاتر از DOL ممکن است ایجاد شود.
  • ۳. پیچیدگی بیشتر مدار نسبت به راه‌اندازی مستقیم
  • ۴. نیاز به اپراتور و نصاب باتجربه

کاربردهای صنعتی روش ستاره مثلث لیست 

  • پمپ آب، پمپ چاه، پمپ استخری
  • فن‌های صنعتی بزرگ
  • بلورهای هوادهی
  • ماشین‌آلات بسته‌بندی
  • کمپرسورهای متوسط
  • نوار نقاله سبک و متوسط
  • میکسرهای مواد غذایی
  • دستگاه‌های سانتریفیوژ
  • خطوط مونتاژ و اتوماسیون سبک
  • چیلرها و سیستم تهویه صنعتی

کاربردهای ساختمانی و تاسیساتی:

  • بوستر پمپ‌ها
  • تهویه ساختمان
  • موتورخانه‌ها
  • تجهیزات HVAC

چه زمانی نباید از ستاره مثلث استفاده کنیم؟

  • وقتی بار گشتاور راه‌اندازی بالایی دارد
  • وقتی موتور فقط 3 ترمینال دارد
  • در صورت نیاز به کنترل سرعت
  • در بارهایی که تغییر حالت ستاره–مثلث باعث ضربه مکانیکی می‌شود
  • زمانی که شبکه آسیب‌پذیر است

در این شرایط بهتر است از سافت‌استارتر یا اینورتر استفاده شود.

جدول مقایسه ستاره مثلث با سایر روش‌ها

ویژگی ستاره–مثلث سافت‌استارتر اینورتر
هزینه پایین متوسط بالا
جریان استارت متوسط کم بسیار کم
گشتاور کم قابل‌کنترل عالی
مناسب برای بار سنگین؟ خیر بله بله
کنترل سرعت ندارد ندارد دارد

جمع‌بندی نهایی

روش راه‌اندازی موتور سه فاز ستاره مثلث همچنان یک استاندارد صنعتی معتبر و اقتصادی برای موتورهای توان متوسط است. این روش نه‌تنها جریان راه‌اندازی را کاهش می‌دهد، بلکه از تجهیزات الکتریکی و مکانیکی نیز محافظت می‌کند. اگر موتور شما ولتاژ دوگانه دارد، 6 ترمینال در دسترس است و بار استارت سنگین نیست، ستاره مثلث بهترین گزینه است.

اما اگر بار سنگین، نیاز به کنترل سرعت یا حفاظت پیشرفته دارید، بهتر است از سافت‌استارتر یا اینورتر استفاده کنید.

بازگشت به لیست

دیدگاهتان را بنویسید

نشانی ایمیل شما منتشر نخواهد شد. بخش‌های موردنیاز علامت‌گذاری شده‌اند *